kimnach.org
1988
IROC-Z
Carputer
& Audio system Overview
It
is impossible to
separate a carputer from an audio system. Well not entirely true,
but most people use carputers as a multimedia center in their older cars (i.e., those not
having "infotainment" systems). And while many are now
installing tablets instead of computers, I am staying with a computer
solution. Actually, for this upcoming 2018 driving season I plan
to have two computers installed in my car.
- Why install a
carputer and a bit of history
- Here is a quick write-up (pdf) that I did for mp3car.com (their
forums are gone now).
- Demos and videos from
2009
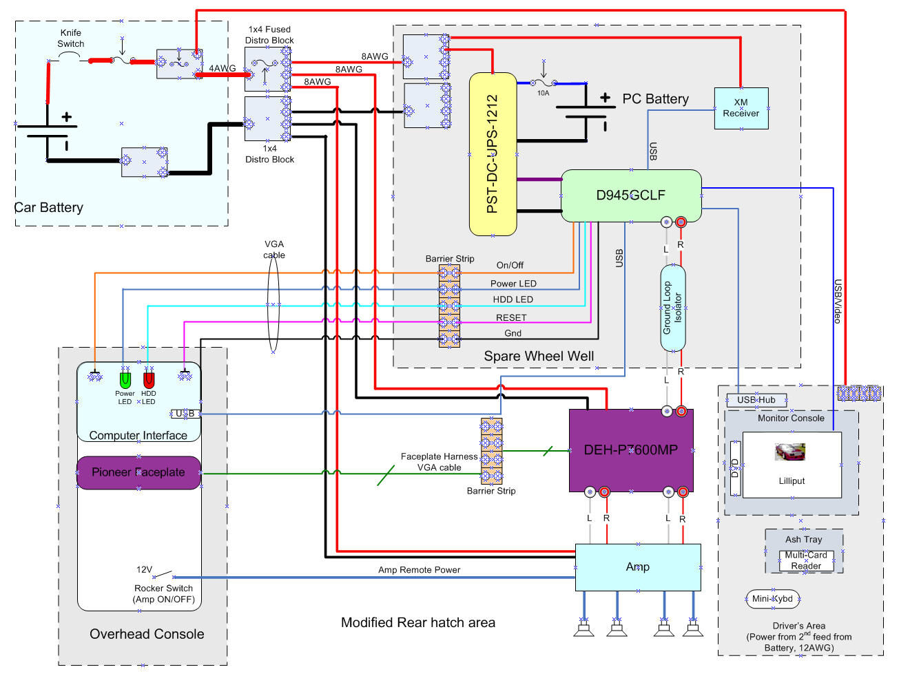
- Wiring diagrams
- The computer hardware (ignoring audio equipment) and software
- three SSD drives for music, video, and TunerPro data
- slot-load Blu-ray recorder
- Touchscreen-- Lilliput 889GL-80NP, 8" touch screen
- Primary Software
- The audio
system--I do NOT have a sub-woofer. I like my music loud--hello
tinnitus--but I need not rock everyone else's world or let them know I'm
coming from a mile away. There's a time and place for
everything. TURN DOWN THE F$%&ing SUBS!!!)
- Pioneer DEH-P7600MP face plate fabricated into the
overhead console
- Kenwood four channel amplifier
- Visteon HDZ300 receiver--I do not use its
controller. Instead, its audio output feeds to the computer and
Driveline
handles tuning.
- Infinity Reference Series speakers: 4x6 2-way under the dash pad and
6x9 3-way in the sails.
- Dashcam,
DVR, cameras, and security
I plan to replace the mini-ITX motherboard with a Single Board Computer (SBC, not Small Block Chevy, in this case) --the options are
Udoo x86 Ultra, Raspberry Pi 3, LattePanda, or Odroid C2. And I plan
to add a second SBC, and have one dedicated to TunerPro RT. Of course, I am in the process of
designing a dual-monitor bezel, which I will 3D
print, and incorporate into a redesigned center console.
Questions, broken links, comments, concerns?
e-mail me, Greg Kimnach
(non-hyphenated American)
It's
not what we know, it's what we do. And we know what to do.